Filters
Research output of DCPE
Structural and Mechanical Properties of Sodium Stearate in Glycol–Water Mixtures: Implications of Composition
Materials Today Communications 2026, 51
This study examines the composition–structure–property relationships of sodium stearate (NaST) formulations in propylene glycol and dipropylene glycol (PG/DPG)–water systems, focusing on the interplay between NaST concentration, water content, and mechanical performance. Using rotational rheometry, small-angle X-ray scattering (SAXS), and mechanical testing, we demonstrate that water increases yield stress; rather than acting as a plasticizer, it promotes a jammed lamellar network. SAXS shows lamellar order persists across compositions and up to 60 ◦C, with partial melting above this. At the same time, mechanical tests reveal a transition from ductile to plastic-elastic behavior as NaST concentration increases. The formulations at 8–10 wt% NaST exhibit maximum stiffness, toughness, and ultimate strength, making them promising for high-durability applications in personal care and pharmaceutical products. These findings provide a framework for designing NaST-based materials with tailored mechanical and structural properties.

Enhancing RNAi efficiency in Phytophthora infestans using cell-penetrating peptide TAT
Physiological and Molecular Plant Pathology 2026, 142, 103048
Synthetic double-stranded RNA (dsRNA) can be used to control plant pests and pathogens by inducing RNA interference (RNAi) in the cells of the target organism. However, this could be challenging especially in species with naturally lower dsRNA uptake capabilities, such as the late blight pathogen Phytophthora infestans. Short peptides that readily cross the cell membrane, called cell-penetrating peptides (CPPs), have been explored as molecular carriers for the delivery of therapeutic molecules, including proteins and nucleic acids. Here, we investigate the possibility of using CPPs to facilitate the uptake of dsRNA and increase the RNAi efficiency in P. infestans. We compared the penetration efficiency of four well-known CPPs in sporangia and hyphae and found that the cationic peptide derived from the transactivator of transcription protein (TAT) of the human immunodeficiency virus (HIV) is internalized efficiently, rapidly, and in an energy-independent manner. The TAT peptide also interacts with dsRNA electrostatically by forming particles with increased affinity towards the cell walls of P. infestans. In hyphae treated with TAT/dsRNA complex, the accumulation of high quantities of TAT peptide was observed, however, only a limited amount of dsRNA was detected. Nonetheless, TAT/dsRNA complex proved functional by triggering RNAi response by silencing the G-protein β-subunit gene (Pigpb1) in P. infestans in contrast to the naked dsRNA. Additionally, we found that the TAT peptide has a moderate ability to penetrate plant leaves and can move through the xylem. Our results indicate that CPPs can improve the efficiency of dsRNA-induced RNAi in P. infestans and have potential in the development of novel plant protection formulations.

Sucrose monolaurate self-assembly via hydrogen bonding: role of surfactant concentration and urea
Colloids Surf. A 2026, 138915
Sugar esters, a class of surfactants derived from renewable resources, have attracted significant attention due to their biodegradability, low toxicity, and broad applications in food, cosmetic, and pharmaceutical formulations. Despite their widespread use, the phase behavior of these compounds in aqueous systems remains incompletely understood. In this study, we investigate the self-assembly of a nonionic sucrose ester of lauric acid in 1–40 wt% concentration range using rheological measurements, dynamic light scattering, X-ray scattering, DOSY NMR, and molecular dynamics simulations. Formation of spherical micelles with a diameter of 5.4 nm is observed at low surfactant concentrations, driven by hydrophobic interactions between the alkyl tails. These solutions exhibit Newtonian flow behavior with viscosities close to that of pure water. However, the viscosity increases from 5 mPa.s at 16 wt% to 640 mPa.s at 40 wt%, while the Newtonian character persists even at 40 wt%. This behavior is explained with the formation of interconnected, thread-like micellar structures of (almost) spherical micelles that largely preserve their distinctiveness, resembling the “pearl necklace” arrangement known for polymer systems. The main driving force for this supramolecular organization was found to be the hydrogen bonding between sucrose headgroups. The addition of 6 M urea, a known hydrogen bond disruptor, significantly reduces micelle clustering and the viscosity decreases to 150 mPa.s at 40 wt% concentration, supporting the proposed aggregation mechanism. These findings contribute to a deeper understanding of the self-assembly behavior of sucrose esters in aqueous environment and highlight their potential for controlled aggregation in practical formulations.

Aqueous Solutions of Oil-Soluble Polyglycerol Esters: Structuring and Emulsifying Abilities
Molecules 2025, 30, 4507
The polyglycerol esters (PGEs) of fatty acids have a wide range of HLB values and applications in diverse industries, such as pharmaceuticals and cosmetics. While the physicochemical properties of oil-soluble PGEs dissolved in oil phases are well studied in the literature, there is no information on their structuring in aqueous phases and emulsifying abilities. We combined rheological and differential scanning calorimetry (DSC) measurements and microscopy observations to characterize the dependence of oil-soluble PGE structuring in aqueous phases on the PGE concentration, the temperature of solution homogenization, and the PGE molecular structure. Excellent correlations between the considerable changes in solution viscosity and the temperatures of the two endo- and exothermic peaks in the DSC thermograms are observed. Single-tail PGE molecules, which have a higher number of polyglycerol units, are better organized in networks, and the viscosity of their aqueous solutions is higher compared to that of the respective double-tail PGE molecules. PGEs exhibit good emulsifying ability and the viscosity of the produced emulsions at room temperature can differ by orders of magnitudes depending on the temperature of emulsification. The reported properties of oil-soluble PGEs could be of interest for increasing the range of their applicability in practice.

On the rheology of linear wormlike micellar solutions
JCIS Open 2025, 100160
The shear rheology of linear wormlike micellar solutions (WMSs) is described by both Poisson renewal (PRM)and shuffling (SFM) models with different values of the model parameters. For low shear strains and rates ofstrains, the micellar solutions behave as a Maxwellian body with constant elasticity and viscosity. The excellentdescription of experimental data in the literature using PRM or SFM suggests that both models predict identicaldependencies of the dynamic storage and loss moduli on the frequency of oscillations. It is shown in the literature, that the PRM becomes equivalent to the SFM, when the breaking time is constant, τbr, and the characteristic reptation time, τrep, is equal to π2 τd0, where τd0 is the reptation time evaluated with respect to the average length of the chain. Three independent rheological tests (apparent viscosity vs shear rate, stress vs strain at constant shear rates, strain oscillations at low amplitudes and different frequencies) are applied to low, medium, and high zero-shear viscosity WMSs to obtain the PRM and SFM model parameters (elasticity, viscosity, relaxation, breaking, and reptation times). The known closed-form analytical expression for the Laplace image of the stress relaxation function and the respective infinite series for the complex modulus give possibility for the reported here precise systematic calculations of the storage and elastic moduli, the crossover frequency, and the elasticity for all values of ζbr = τbr/τrep ≤ 100. The predictions of the PRM length-dependent breaking-time versions are indistinguishable from those of the SFM for the obtained universal dependencies of the characteristic time, τB0, on ζbr. The applicability of the Vasquez–Cook–McKinley and the single-mode Oldroyd 8-constant models to describe the rheological behavior of WMSs is tested. The theoretical findings and conclusions are confirmed experimentally and illustrate the self-consistency of the used rheological regimes.

Role of food additives on properties of Polysorbate 60 solutions
Journal of Molecular Liquids 2025, 440, 128844
Polysorbates are hydrophilic, nonionic surfactants widely used in food, cosmetic, and pharmaceutical products. Often, these emulsifiers are used in combination with different preservatives, and it is essential to conduct an in-depth study of the influence of such additives on the properties of Polysorbate 60 solutions. In the current study, we investigated the effect of various food additives: citric acid, sodium benzoate, potassium sorbate, a mixture of citric acid and sodium citrate, and propylene glycol on the stability and micellar properties of Polysorbate 60 by using different experimental methods such as GC, DSC, SAXS, DLS, optical observations in polarised light, and NMR. When stored at room temperature without additives, solutions of Polysorbate 60 slowly undergo phase separation over time. Our results show that citric acid, a mixture of citric acid and sodium citrate, and propylene glycol increase the rate of this phase separation. In contrast, sodium benzoate and potassium sorbate are incorporated into the mixed micelles. They localize within the palisade layer, a region of the micelle where the surfactant tails begin, effectively preventing the phase separation. As a result, Polysorbate 60 solutions with these specific additives remain transparent and stable for over a year

Disperse systems and rheology in clean technologies – lab 6.2 capabilities and developments
University publishing house “V. Aprilov” 2025, ISSN: 2815-4924
Laboratory 6.2 “Disperse systems and rheology in clean technologies” within WP 6 “Nano-structured materials and disperse systems in clean technologies” aims at the development of new systems for clean technologies and nanotechnologies in various scientific and technological areas: new cleaning agents for hard surfaces; encapsulation and controlled release of reagents; wetting and dewetting processes. The main objectives are to conduct experimental and theoretical research and development of new dispersed systems through the inclusion of new raw materials and innovative materials, and to develop and apply theoretical models of the interactions and stability of complex dispersed systems. High scientific output of Lab 6.2 is manifested via 21 scientific publications in the fields of Dispersion Chemistry, Chemical and Materials Sciences for the period 2018 – 2024 (8 articles in Q1 journals, 6 in Q2, and 7 materials in Q4). Optimized compositions of cleaning formulations for hard surfaces with sulfonated methyl esters have been obtained [1]. New theoretical models for the interactions that determine the structures in micellar systems have been developed and applied [2]. New phenomena such as vortexing [3] and nanoemulsification [4] have been described. New methods have been proposed for obtaining emulsions and foams from triglyceride phases [5]. The role of the components and compositions for the rheology [6], wetting, and cleaning [7] has been demonstrated.

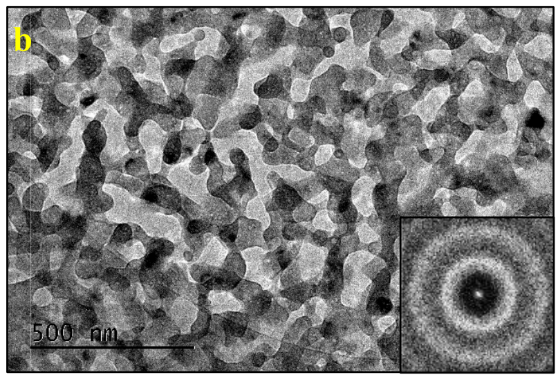
Temperature-induced formation of a bicontinuous phase: cryo-tem visualization and Cahn–Hilliard interpretation
University publishing house “V. Aprilov” 2025, ISSN: 2815-4924
Cryogenic transmission electron microscopy (Cryo-TEM) provides direct visualization of bicontinuous sponge (L₃) phases, where a surfactant bilayer meanders through space, dividing solvent into two continuous domains. Temperature increase destabilizes lamellar order by lowering the bending rigidity and driving the Gaussian modulus toward values that favor handle formation. We captured this transition as the loss of layered registry and the emergence of a labyrinthine bilayer network rich in saddle regions. A Cahn-Hilliard-type phase-field model reproduces these features: small shifts in the free-energy landscape and interfacial penalty are sufficient to convert stripe-like lamellae into bicontinuous structures. This synergy between imaging and modeling highlights how thermal fluctuations push membranes into topologies inaccessible at lower temperatures, offering a predictive framework for designing temperature-responsive surfactant systems.

Multiconnected micellar phases for cleaning applications
University publishing house “V. Aprilov” 2025, ISSN: 2815-4924
The research paper explores the ability of isolated multiconnected micellar phases (MMP) to remove different soils (dimethicone, sebum oil, and makeup formulations) from artificial skin. The MMP is isolated from 3 wt% 1:1 sodium lauryl ether sulfate with 2 ethylene oxide group + cocamidopropyl betaine in the presence of 62 mM MgCl2. The direct observations of soil removal demonstrate the efficacy of the MMP by two physicochemical mechanisms. For dimethicone soils, the roll-up mechanism is observed, i.e. shrinkages of the drop contact areas and decrease of the three-phase contact angles due to the changes in the interfacial tension and the surface energy. For sebum soils, the spontaneous emulsification mechanism takes place because of the mixing of the fatty acids present in the sebum with the surfactants and forming complex amphiphilic structures. For makeup formulations, the new approach based on the software image analysis by means of Image J is developed to account for the whole soiled area and to increase the precision of the quantitative cleaning characterization. The obtained results show that the bicontinuous phase successfully removes dimethicone, sebum oil, and foundation soils from the artificial skin and could have potential application in the design of new personal, home and industrial care products.

Characterization of human intestinal fluids after the administration of a solid meal
Mol. Pharmaceutics 2025 2025, 22, 12, 7488–7499
Most available data on the composition and solubilizing properties of postprandial human intestinal fluid (HIF) are derived from studies involving liquid meals. These data inform the development of simulated intestinal fluids, widely used in in vitro assays for predicting intestinal drug behavior. However, the typical human diet primarily consists of solid meals, and the physical form of food has been shown to influence gastrointestinal transit and digestion, thereby affecting drug disposition and bioavailability. This study compares the characteristics of fed-state HIF collected after solid meal ingestion (SM-HIF) with previously published data on pooled liquid meal-derived HIF (LM-HIF) and newly generated data from individual LM-HIF samples. Time-dependent samples were analyzed over 180- and 90 min postprandial sampling periods to assess compositional changes following the administration of a solid and liquid meal, respectively. In addition, pooled samples were used to evaluate the solubilizing capacity for seven lipophilic model compounds. After intake of the solid meal, duodenal concentrations of exogenous (lipids, cholesterol, proteins) and endogenous (bile salts, phospholipids) components gradually increased to peak levels reached after 45−75 min. After 180 min, lipid and protein concentrations were still elevated compared to fasted state levels. In comparison to the liquid meal, the ingestion of the solid meal resulted in reduced concentrations of exogenous components, while endogenous components (bile salts and phospholipids) were relatively similar. For most compounds, the reduction in lipid content led to diminished solubilizing capacity of SM-HIF compared to LM-HIF when considering the combined micellar and lipid fractions. In contrast, the solubilizing capacity of the micellar fraction as such was largely independent of the meal type. Both the composition (particularly the micellar lipid concentration) and the solubilizing capacity of SM-HIF were highly variable between pools, albeit to a lesser extent than in LMHIF. The findings of this study highlight that the physical form of the meal influences the composition and solubilizing capacity of HIF. These insights should be taken into account when refining biorelevant media for in vitro models to better predict food effects during drug product development.

Role of electrolytes and co-surfactants on the rheological properties of sodium N-acyl sarcosinate solutions
Journal of Molecular Liquids 2025, 434, 128069
Alkyl sarcosinates are amino acid-based anionic surfactants commonly used as primary surfactants in sulfate-free personal care products. The major aim of this study is to identify the key factors influencing the rheological behaviour of sodium sarcosinate solutions and their mixtures with nonionic, zwitterionic, and cationic co-surfactants. To achieve this, we examined the effects of salt type and concentration for alkyl sarosinates with different chain lengths (dodecyl, tetradecyl, and cocoyl) across concentration range of 2–20 wt%. Experimental results reveal two distinct regions in the salt curve for the three studied sarcosinates. At low electrolyte concentrations, viscosity remains constant until reaching the critical electrolyte concentration, C1, beyond which viscosity increases logarithmically with salt concentration. Further electrolyte addition leads to phase separated solutions at the critical precipitation concentration, CTR. Both C1 and CTR decrease as the hydrocarbon chain length increases from dodecyl to tetradecyl. However, the presence of shorter chain molecules in cocoyl sarocisinate significantly increases both C1 and CTR due to the formation of spherical micelles. A theoretical expression for predicting viscosity dependence on salt concentration is derived and successfully applied to describe the experimental data. The adsorption energy of sodium and potassium to alkyl sacrosinate micelle surfaces is found to be much smaller than that to sodium lauroyl ether sulfate surfactants (1 vs. 3 kBT for Na+ and 0.8 vs. 3.8 kBT for K+). No significant effect of amphoteric co-surfactants, including cocoamidopropyl betaine, sulfobetaine, or decylamine oxide, is observed. NMR analysis confirms that cocoamidopropyl betaine and sodium dodecyl sarcosinate form mixed micelles that are structurally similar to sarcosinate micelles, as carboxyl groups remain exposed on the micelle surfaces in both cases. When using amine oxide and sulfobetaine, the increase in viscosity is attributed to the elongation of mixed micelles, though steric hindrance from side methyl groups limits their growth. The practical significance of this study lies in the finding that longer-chain alkyl sarcosinates (such as tetradecyl, as investigated here) can attain significantly higher viscosities at lower salt concentrations compared to shorter-chain analogs or surfactant mixtures. The scientific significance stems from the development of a theoretical model capable of predicting the viscosity of alkyl sarcosinate solutions across various surfactant and salt concentrations.

Active drops driven by surface and polymorphic phase transitions: Current understanding and emerging perspectives
Adv. Colloid Interface Sci. 2025, 345, 103624
Small emulsion droplets typically adopt spherical shapes under positive interfacial tension, minimizing unfavorable oil-water contact. This shape, along with the initial drop size, are generally preserved upon drop freezing or melting. However, in a series of studies, we demonstrated that simple temperature fluctuations near the melting point of the dispersed oil phase can spontaneously induce a wide range of dynamic behaviors in droplets. These activities include morphogenesis into various non-spherical shapes such as hexagonal, triangular, and tetragonal platelets, rods and fibers; the formation of complex composite micrometer-sized structures in the presence of adsorbed latex particles on initially spherical droplets; spontaneous desorption of the initially adsorbed particles; the generation of synthetic microswimmers capable of self-propulsion through the continuous phase, driven by the rapidly growing elastic filaments; spontaneous drop fragmentation and bursting into smaller particles (with sizes down to 20 nm) without any mechanical energy input; and the engulfment of the surrounding media spontaneously producing double water-in-oil-in-water droplets. All these phenomena were found to be intricately related to surface and polymorphic phase transitions proceeding within the droplets. The underlying mechanisms and control parameters were systematically investigated and published in a series of papers. The present review aims to summarize the key discoveries, present them within a unified conceptual framework, and compare them with other processes reported in the literature to lead to similar outcomes. Furthermore, the practical implications of these phenomena are discussed, and potential future research directions in this emerging area at the intersection of emulsion science and phase transition phenomena are outlined.

Conformational and rheological behavior of kappa carrageenan in glycerol: Effects of sodium salts and preparation temperature
Carbohydrate Polymers 2025, 368, 124095
Kappa carrageenan (KC), a sulfated polysaccharide derived from red seaweed, exhibits distinct gelation properties that are influenced by ionic strength and thermal conditions. While its behavior in aqueous media is well-established, understanding KC’s gelation mechanisms in non-aqueous solvents (like glycerol) remains limited. This study investigates the conformational and rheological properties of kappa carrageenan in glycerol, focusing on the effects of sodium salts (NaCl, NaH2PO4, Na3PO4) at varying concentrations and preparation temperatures (60 °C and 80 °C). Rheological measurements reveal distinct viscosity trends influenced by salt type and temperature, highlighting the interplay between ionic interactions and KC’s conformational transitions. Phosphate salts significantly enhance network elasticity and stability, especially at intermediate concentrations, whereas NaCl induces weaker, viscosity-dominated structures. Atomic force microscopy imaging provides complementary nanoscale insights, showcasing salt-specific structural transitions from looped to branched networks, alongside a temperature-dependent helix-to-coil transformation. These results illustrate how the precisely tuning ionic conditions and the preparation temperatures in glycerol media can effectively modulate KC’s structure and viscoelastic properties. This deeper understanding facilitates targeted design and optimization of carrageenan-based materials across food, pharmaceutical, cosmetic, and biotechnological applications.

Optimizing lubricant deposition on hair-like substrates using cationic polymer/anionic surfactant complexes
Langmuir 2025, 41, 17494-17504
Oppositely charged polymer–surfactant mixtures exhibit unique bulk and interfacial properties with many applications. In particular, cationic polymers paired with anionic surfactants are often used to deposit oils and lubricants on hair and skin upon dilution. These dilution-deposition systems are widely studied in simple mixtures but rarely in complex formulations. Thus, our paper focuses on cationic polysaccharides (cat-Guars and cat-HECs) paired with the anionic surfactant SLES-1EO (sodium laureth-1 sulfate) and incorporated into shampoos. We analyzed the polymer–surfactant complexes’ (PSCs) phase behavior, adsorption at the silicone oil/water interface, stickiness to bubbles (and drops), and deposition on hair-like substrates via phase behavior analysis, zeta potential measurements, foam film experiments, and imaging ellipsometry. Our results showed that the cat-Guar/SLES-1EO complexes exhibit wider precipitation regions and higher adsorption at the silicone oil/water interface than the cat-HEC/SLES-1EO complexes. Foam film experiments implied that only the cat-Guar/SLES-1EO complexes bridge the air bubbles (and silicone drops to hair) as they form sticky PSCs. Imaging ellipsometry revealed that cat-Guars deposit thick, inhomogeneous layers of PSCs and silicone on the hair-like substrates, whereas cat-HECs deposit thinner layers or nothing. Together, these findings elucidate the underlying deposition mechanism and offer strategies to optimize the polymer performance in shampoo formulations via a comprehensive experimental protocol.

Bubbles nucleation in supersaturated emulsion drops
Scientific Reports 2025, 15, 22542
Bubble nucleation plays a significant role in applications ranging from food and beverages to cosmetics, polymer foams, and advanced porous materials. While extensively studied in homogeneous solutions and particle suspensions, bubble nucleation mechanisms in heterophasic liquid dispersion, such as emulsions, are less understood. This study hypothesizes that tuning physicochemical and mixing hydrodynamics allows design over the bubble nucleation and growth under mild gas supersaturations. Supersaturated oils were emulsified under mild stirring, followed by rapid decompression to trigger nucleation. The process was analyzed by monitoring changes in emulsion volume and optical microscope observations. Key parameters such as gas saturation pressure, viscosities of the continuous and dispersed phases, gas solubility and dissolution kinetics, and mixing intensity were systematically varied. Bubble nucleation occurs mainly via a heterogeneous mechanism, accelerated by shear and gas migration kinetics. Increased oil phase viscosity enhanced bubble formation and retention in droplets, while higher aqueous phase viscosity suppressed nucleation in the continuous phase. The number and size of the obtained bubbles varied significantly, depending on the phase of nucleation origin and the physicochemical conditions. This study reveals pathways to optimize bubble nucleation and initial growth dynamics, which can be used for optimization of pore size distribution of emulsion-based materials.

Tiny-TIM intestinal fluids versus human intestinal fluids: A comparison of their composition and solubilizing capacity for poorly soluble drugs
Eur. J. Pharm. Sci. 2025, 211, 107150
The tiny-TIM system offers an in vitro platform for the simulation of physiological processes occurring in human stomach and small intestine aiding in drug product development by predicting the bioperformance of oral formulations under fasted and fed state intake conditions. To assess this in vitro system in terms of its physiological relevance, we performed a detailed analysis of the composition as well as the solubilizing capacity of tiny-TIM intestinal fluids (TIF), and compared this to previously collected and analysed human intestinal fluids (HIF). Moreover, the impact of meal type on TIF composition and solubilising capacity was investigated by using either a liquid meal or a solid meal. In the fasted state, TIF exhibited lower lipid concentrations with a TIF/HIF ratio of 0.27, and elevated bile salt levels (TIF/HIF ratio of 1.8). Fasted state TIF generally overpredicted the solubilizing capacity of HIF, likely due to its higher bile salt concentrations. In the fed state, TIF contained biorelevant lipid concentrations but remained monophasic without phase separation, unlike HIF. This was likely due to higher bile salt levels (5.3 times that of HIF), which solubilized all lipids into the micellar phase. This resulted on average in a 3.3-fold increase in solubility of the poorly water-soluble model compounds in the micellar fraction of TIF as compared to HIF. Shifting from a liquid to a solid meal had minimal impact on TIF composition and solubilizing capacity.

Intraluminal enzymatic hydrolysis of API and lipid or polymeric excipients
Int. J. Pharm. 2025, 675, 125489
The role of intraluminal enzymes for the hydrolysis of active pharmaceutical ingredients (API), prodrugs and pharmaceutical excipients will be reviewed. Carboxylesterases may hydrolyze ester-based API, prodrugs and ester-bond containing polymer excipients, whereas lipases digest lipid formulation excipients, such as mono-, di- and triglycerides. To clarify the conditions that should be mimicked when designing in vitro studies, we briefly review the upper gastrointestinal physiology and provide new data on the inter-individual variability of enzyme activities in human intestinal fluids. Afterwards, the methodology for studying enzymatic hydrolysis of API, prodrugs, lipid and polymeric excipients, as well as the main results that have been obtained, are summarized. In vitro digestion models used to characterize lipid formulations are well described, but data about the hydrolysis of lipid excipients (including surfactants) has been scarce and contradictory. Data on API and prodrug hydrolysis by esterases is available; however, inconsistent use of enzyme types and concentrations limits structure-stability relationships. Hydrolysis of polymer excipients in the lumen has not been significantly explored, with only qualitative data available for cellulose derivates, polyesters, starches, etc. Harmonization of the methodology is required in order to curate larger enzymatic hydrolysis datasets, which will enable mechanistic understanding and theoretical prediction.

Cosmetic potential of haberlea rhodopensis extracts and extracellular vesicles in human fibroblast cells
Cosmetics 2025, 12, 90
Skin ageing is a complex biological process influenced by cellular senescence, oxidative stress, and extracellular matrix degradation. Emerging evidence suggests that plant-derived bioactive compounds and extracellular vesicles (EVs) play a crucial role in modulating cellular homeostasis, promoting tissue regeneration, and counteracting age-related morphological and functional changes. This study investigates the impact of Haberlea rhodopensis in vitro culture extracts, native and enriched with EVs, on key cellular processes, including morphology, mitochondrial dynamics, lysosomal activity, gene expression, and genotoxicity in human dermal fibroblasts. The extracellular vesicles were identified in terms of shape, size, and morphology using dynamic light scattering, negative staining and observation under a transmission electron microscope. A comprehensive in vitro analysis was conducted utilizing light microscopy to assess cellular morphology and lysosomal mass, fluorescence microscopy for actin cytoskeletal organization, mitochondrial integrity, and nuclear morphology, and gene expression profiling for markers associated with collagen synthesis (COL1A1, COL3A1), senescence (CDKN1A), and oxidative stress response (NFE2L2). Additionally, cell cycle progression was evaluated, and genotoxicity was assessed using the neutral comet assay. Haberlea rhodopensis in vitro culture extracts and EVs were found to preserve fibroblast morphology, enhance mitochondrial mass, and upregulate collagen-related gene expression. These effects were concentration-dependent. The extracts exhibited biocompatibility with minimal genotoxic effects, indicating their potential as safe bioactive agents for skin rejuvenation. The findings suggest that Haberlea rhodopensis in vitro culture extracts and their enrichment with extracellular vesicles hold promise for cosmetic and dermatological applications, particularly in enhancing collagen production, preserving cellular integrity, and mitigating age-related alterations in skin fibroblasts. Further studies are warranted to elucidate the underlying molecular mechanisms and optimize formulation strategies for clinical translation.

Cleansing mechanisms and efficacy on artificial skin
Molecules 2025, 30, 1813
A systematic study on the mechanisms of cleansing artificial skin by solutions of widely used in personal care surfactants disodium laureth sulfosuccinate (DSLSS), sodium laureth sulfate (SLES), sodium dodecyl sulfate (SDS), dodecyl trimethyl ammonium bromide (DTAB), and coco glucoside (CG), is presented. The systematic characterization of soil removal from artificial skin revealed two primary cleansing mechanisms: emulsification and roll-up. Emulsification occurs in systems with very low interfacial tension, such as sebum in SLES solutions, while dimethicone soil was only removed by roll-up. The roll-up effectiveness depends on the surfactant’s interfacial activity and its adsorption on the soiled surface. Thus, the strong adsorption of DTAB on the skin leads to dimethicone roll-up at a relatively high interfacial tension of 11 mN/m. The anionic and nonionic surfactants adsorbed less at the artificial skin surface, and the oil/water interfacial tension value lowering below 5 mN/m is necessary for the roll-up to occur. Nonionic CG removed dimethicone at a lower concentration than ionic surfactants. Combining CG with ionic surfactants improved cleaning at lower total concentrations. Surfactant mixtures are used to formulate simple cleansing formulations, whose performance is also investigated by the developed in vitro approach. The results obtained allow for a good rating of the formulations, which correlates well with the performance of the surfactant mixtures and their interfacial activity.

Quantitative characterization of the mass transfer of volatile amphiphiles between vapor and aqueous phases: Experiment vs theory
JCIS Open 2025, 18, 100133
The class of volatiles, which possess low saturated vapor pressures, appreciable solubilities in water, and well pronounced surface activities, have gained wide applications in diverse areas of industry, cosmetics, and medicine. One way to qualitatively characterize their mass transfer between vapor and aqueous solutions is to measure the relaxation of the interfacial tension, σ, with time, t, under different nonequilibrium initial conditions. This approach is applied in the present work for geraniol and menthol. By means of combining σ(t) data with the respective equilibrium surface tension isotherms, the instantaneous values of the fragrance adsorption, Γ(t), have been determined. Quantitative characterization of the geraniol and menthol mass transfers in the case of adsorption from vapor to aqueous drops is achieved by using a mixed barrier-diffusion model. The obtained values of the rates of adsorption and desorption are compared with those reported in the literature for benzyl acetate, linalool, and citronellol. In the case of evaporation of the volatiles from their saturated aqueous solutions to the ambient atmosphere, the mass transfer is found to be driven both by mixed barrier-diffusion and by convection-enhanced mechanisms – depending on the air humidity. The quantitative description of the evaporation of volatile molecules is modelled theoretically by adsorption rate constants. In order to achieve the reported model representations, complex numerical calculations are implemented. On the other hand, having in mind the cases when one wishes to avoid extensive computational work, we developed a simple semiempirical model suitable for all five studied fragrances. This simplified approach is convenient for the express comparison and characterization of the evaporation rates. The obtained physicochemical parameters related to the evaporation and condensation of volatiles are important for the rigorous modeling of their complex mixed solutions of practical interest. The semiempirical model could be used for the quantitative classification of volatile molecules with respect to their ability to evaporate.


